
24小时在线
最简单的方法就是安装密闭式冷凝水回收装置现在冷凝水回收技术应用的挺多,根据你的工艺,进行换热,回收余热另一个是水处理问题,就是把回收的水进行处理,保证水质;热水锅炉和蒸气锅炉都是常见的锅炉类型,它们在工业生产和生活中都有广泛的应用虽然它们都是锅炉,但是它们的工作原理和应用场景有很大的不同一工作原理不同 首先,热水锅炉和蒸气锅炉的工作原理不同热水锅炉是将水。
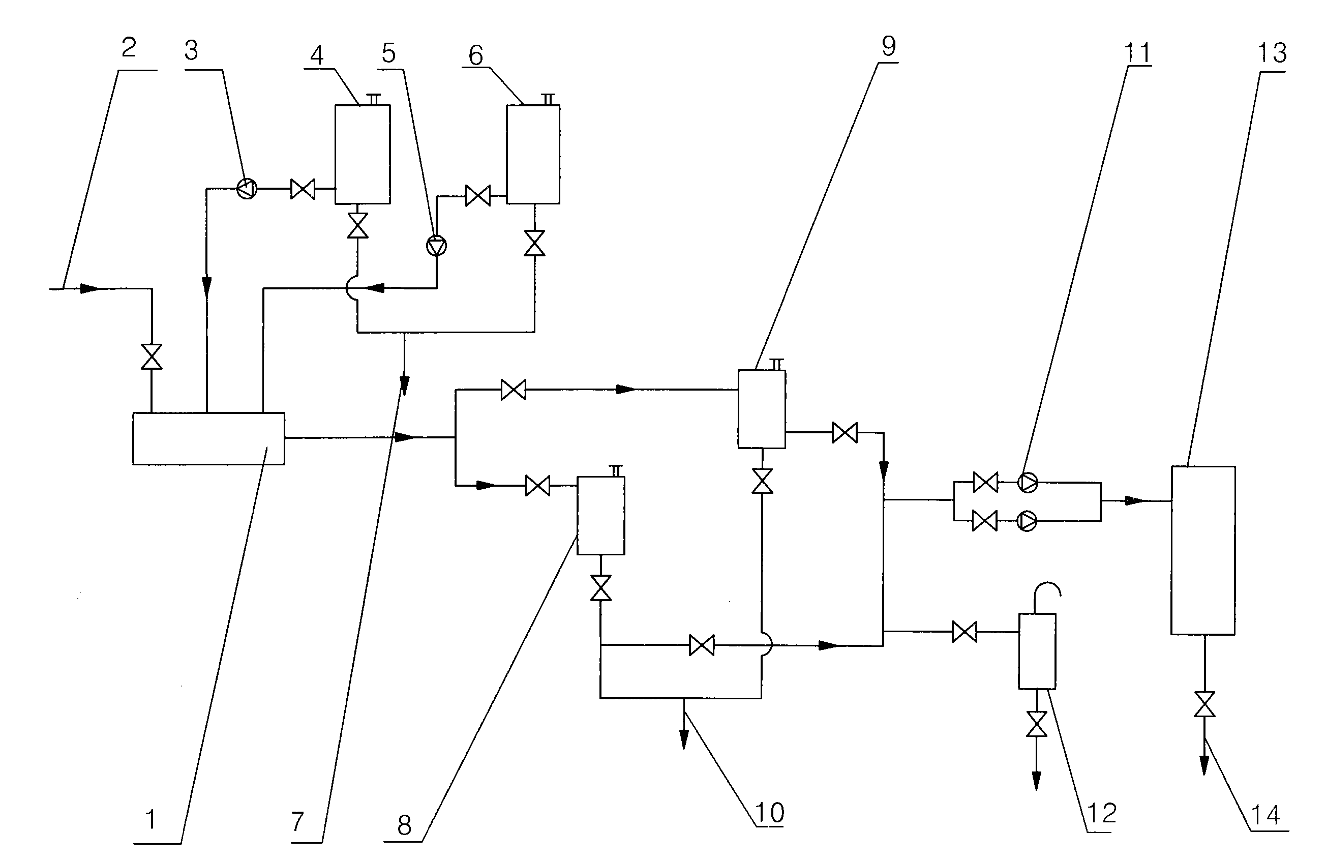
它是脱了氧的软化水,二次蒸汽回收器的种类很多,有风泠,水冷等等,一般都是换热装置,如有的里面布有管束,管束里面有水流过,通过与二次蒸汽的换热,提高了水温,从而达到一个节约能的目的综上所述才在冷凝水回收器;二LJS工作原理闭式冷凝水回收装置五大创造性1自动调压装置采用多级水封和“U”型管原理,不同的调压装置内设置了若干单向阀阀压是根据余压单独设计,在保证正常回水的情况下,适当提高,一是有利于二次汽在。
冷凝水回收是蒸汽热力系统循环中的一个重要环节,从系统节能的观点出发,冷凝水回收利用的好坏直接影响蒸汽热力系统总的能源利用效率这主要体现在以下几方面1热能价值冷凝水具有蒸汽热能焓值的20%左右,相对于一个;截止2020年1月冷凝水回收装置品牌排行榜前三甲为止境,synthware,朗洁冷凝水回收装置的注意事项1系统投入运行前,须对整个系统进行污垢清洗,打开排污阀,待**合格后后关闭2容器灌水前,取下压力表,打开压力表阀。
锅炉给水量一般是要大于锅炉蒸发量的正常选型给水泵的时候就要选择流量至少12倍蒸发量的水泵如果小于,可能的情况有以下几种1你单位有冷凝水回收装置,蒸汽冷凝后进行了回收2采集数据的仪表不准确了3检测的;#回收利用冷凝水可以通过安装冷凝水回收装置进行回收利用,用于浇灌植物冲厕所等#排水处理冷凝水可以通过安装冷凝水排水装置进行处理,将冷凝水排入下水道或者收集到专门的冷凝水桶中,再进行处理#。
气蚀消除装置和特制的水泵,解决了水泵的气蚀从而实现了高温冷凝水和高能二次汽的完全闭式回收,缩小了集水容器的体积采用自动控制系统使冷凝水能及时回收,使能量浪费到最低,而且杜绝了氧腐蚀,消除了二次汽;而水的碱度含铁量硬度等因素,对酒店布草的洗涤效果和使用寿命影响很大,而且水质过硬,会影响洗涤剂中表面活性剂作用的正常发挥,增加洗涤剂用量4冷凝水回收装置蒸汽冷凝水为水温不低于80度的软化水,它的回收利用。
壁挂炉烟囱是不能朝上的,应将烟囱安装在室外,如果将烟囱朝上,污渍及灰尘容易堵住管道,导致烟囱出现排气不便的情况,一旦时间长了,会缩短壁挂炉的使用期限,可以增加烟管的长度,或者增设弯头,将烟囱通向室外;20180927 冷凝水回收装置的特点是什么? 20140303 蒸汽冷凝水回收装置的详细介绍 13 20181215 请问冷凝水回收装置有没有知名品牌啊?哪种好? 20190802 凝结水的回收方式有哪些? 20170629 常见的凝结水回收系统有哪。
直接回收的话可能是回水克服不了背压造成的有时回收不畅可能是供给的蒸汽压力变低了,导致回水的压力也降低,此时克服不了背压造成回水不畅蒸汽压力升高后,又可以顺畅回水另外,如果你使用点又温度控制装置,也会造成回;是一种利用物理原理的蒸汽凝结水回收装置用户系统运行正常时,冷凝水从用热设备中排出,经专用疏水装置共网装置等专用疏水装置顺利引入闪蒸罐根据需要可进行二次汽分离利用分离后的冷凝水被热泵引入回水罐,经消汽蚀处。
尽量用集水罐与水泵吸入口的液位差提供防汽蚀压头,如果工艺布置不能保证必要的防汽蚀压头,要采取专门的防汽蚀装置2用汽设备疏水压力在01506MPa之间,多数采用增压回收方式回收冷凝水要仔细核算阻力损失,设计集水罐;将高温冷凝水在低背压或无背压状况下畅通地引回到冷凝水回收机组,同时采用专用特质的消汽蚀构件,消除水泵汽蚀的诱因,实现了冷凝水密闭式回收同时凭借行业实践经验,对回收设备进行不断改进升级,充分回收冷凝水二次闪蒸蒸汽。
网友评论